
Nos expertises
Process industriel-instrumentation


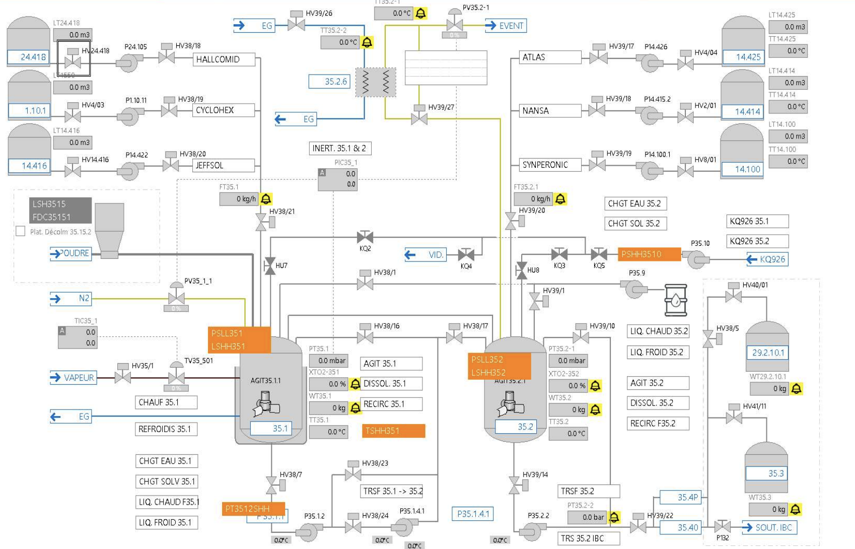
Supervision


Régulation


Automatisation des lignes de production


Variation de vitesse


Equipement zone ATEX


Équipement salle blanche


Mise en sécurité machine


Rétrofit


Process méthanisation


Chaufferie


Production eau glacée, purifiée


HVAC


GTB / GTC


Nos secteurs d’activité
Passionnés d’automatisme, nous avons développé un véritable savoir-faire dans les secteurs d’activités suivants






Pourquoi travailler avec nous ?
Sur-mesure
Nous vous conseillons sur la solution la plus adaptée à votre besoin grâce à notre bureau d’études intégré.
Proximité
Nous sommes une ETI régionale, présente sur tout le territoire du Grand Est, composée de 6 implantations.
Maîtrise technique
Nous réalisons plusieurs centaines de chantiers par an, depuis 1975 dans le domaine de l’électricité, et depuis 2009 dans le domaine du photovoltaïque.
Clé-en-main
Un interlocuteur unique pour piloter vos chantiers y compris les démarches administratives et la maintenance.

